產品類別:振動篩分機
產品簡介:小型振動篩分機顧名思義就是適合高精密、小產量的物料篩分,常用的型號是400mm小型振動篩,產量可達100kg/h,其噪音低、效率高,快速換網需3-5分鐘,全封閉結構,適用于粒、粉、粘液等物料的篩分過濾.
免費獲取報價
全國統一銷售熱線
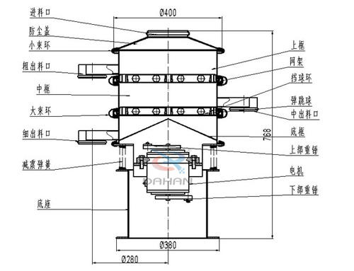
小型振動篩分機為400mm直徑一層兩出口小型振動篩分機,AA式網架結構,底座碳鋼材質,本品適合各種粉料和漿液小批量的生產使用。小型振動篩分機是振動篩設備的一種,確切點講這種圓形的振動篩根據相關標準叫“旋振篩”,由于其振動運轉原理很多企業也稱之為“三次元振動篩分機”。
小型振動篩分機由直立式振動電機作為激振源,電機上、下兩端安裝有偏心重錘,將電機的旋轉運動轉變為水平、垂直、傾斜的三次元運動,再把這個運動傳遞給篩面。調節上、下兩端的相位角,可以改變物料在篩面上的運動軌跡。
型 號 | 功率(KW) | 篩機直徑 | 體 積 | 篩網層數 |
DH-400-1S DH-400-2S DH-400-3S |
0.18KW |
350mm |
580×580×560 580×580×670 580×580×780 |
1 2 3 |
☆ 效率高、設計精巧耐用,粉類、粘液均可篩分。
☆ 換網容易、操作簡單、清洗方便。
☆ 網孔不堵塞、粉末不飛揚、可篩至500目或0.028mm。
☆ 雜質、粗料自動排出,可以連續作業。
化工行業:樹脂、涂料、工業藥品、化妝品、油漆、中藥粉等。
食品行業:糖粉、淀粉、食鹽、米粉、奶粉、豆漿、蛋粉、醬油、果汁等。
金屬、冶金礦業:鋁粉、鉛粉、銅粉、礦石、合金粉、焊條粉末、二氧化錳、電解銅粉、電磁性材料、研磨粉、耐火材料、高嶺土、石灰、氧化鋁、重質碳酸鈣、石英砂等。
公害處理:廢油、廢水、染整廢水、助劑、活性碳等。
"大漢"DH系列小型振動篩分機經客戶多年使用,獲得大量的一線反饋建議,在自有成熟的篩機制造技術基礎上,大漢機械工程師以滿足客戶需求為標準,多次技術改進,篩分效果更好,采用"通用"新型動力激振器,三維動力更加突出,適用范圍更加廣泛,大漢機械公司可根據客戶需求設計特殊型號,無論物料是干是濕,是精細是粗糙,是比重大是比重輕,0-400目都可以篩選,不管是液態的,還是漿狀的0-600目都可以過濾,"大漢"旋振篩系列產品同時配備專門的篩網清理裝置,把堵網率降到低,過網率和處理精度得以有效提高。"大漢"具備特殊型號制造的能力讓顧客對"大漢"有更多的選擇。
Copyright ©right 2007-2020 新鄉市大漢振動機械有限公司 All Rights Reserved 版權所有
備案號:豫ICP備09002479號-7