產品類別:振動篩分機
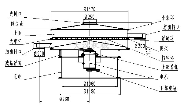
產品簡介:本品為1500mm直徑單層兩出口與物料接觸部分為304材質,出料口可以360度旋轉。
免費獲取報價
全國統一銷售熱線
本品為1500mm直徑單層兩出口,與物料接觸部分為304材質,出料口可以360度旋轉。
這個名稱是所有振動篩分設備類產品的總稱,確切點講這種圓形的振動篩根據相關標準叫“旋振篩”,由于其振動運轉原理很多企業也稱之為“三次元振動篩分過濾機”“三次元振動篩分機”。
由直立式振動電機作為激振源,電機上、下兩端安裝有偏心重錘,將電機的旋轉運動轉變為水平、垂直、傾斜的三次元運動,再把這個運動傳遞給篩面。調節上、下兩端的相位角,可以改變物料在篩面上的運動軌跡。
"大漢"DH系列振動篩分機產品,經客戶多年使用,獲得大量的一線反饋建議,在自有成熟的篩機制造技術基礎上,大漢機械工程師以滿足客戶需求為標準,多次技術改進,篩分效果更加優越,采用"通用"新型動力激振器,三維動力更加突出,適用范圍更加廣泛,大漢機械公司可根據客戶需求設計特殊型號,無論物料是干是濕,是精細是粗糙,是比重大是比重輕,0-400目都可以篩選,不管是液態的,還是漿狀的0-600目都可以過濾."大漢"旋振篩系列產品同時配備專門的篩網清理裝置,把堵網率降到低,過網率和處理精度得以有效提高."大漢"具備特殊型號制造的能力讓顧客對"大漢"有更多的選擇.
☆ 效率高、設計精巧耐用,粉類、粘液均可篩分。
☆ 換網容易、操作簡單、清洗方便。
☆ 網孔不堵塞、粉末不飛揚、可篩至400目或0.028mm。
☆ 雜質、粗料自動排出,可以連續作業。
化工行業:樹脂、涂料、工業藥品、化妝品、油漆、中藥粉等。
食品行業:糖粉、淀粉、食鹽、米粉、奶粉、豆漿、蛋粉、醬油、果汁等。
金屬、冶金礦業:鋁粉、鉛粉、銅粉、礦石、合金粉、焊條粉末、二氧化錳、電解銅粉、電磁性材料、研磨粉、耐火材料、高嶺土、石灰、氧化鋁、重質碳酸鈣、石英砂等。
公害處理:廢油、廢水、染整廢水、助劑、活性碳等
型 號 |
DH-600 |
DH-800 |
DH-1000 |
DH-1200 |
DH-1500 |
DH-1800 |
DH-2000 |
直徑mm |
Φ600 |
Φ800 |
Φ1000 |
Φ1200 |
Φ1500 |
Φ1800 |
Φ2000 |
篩網面積m |
0.24 |
0.45 |
0.67 |
1.0 |
1.6 |
2.43 |
3.01 |
篩網規格(目) |
2-500 |
||||||
進料粒度mm |
<Φ10 |
<Φ15 |
<Φ20 |
<Φ30 |
|||
振次rpm |
1500 |
1500 |
1500 |
1500 |
1500 |
1500 |
1500 |
有效篩面直mm |
Φ560 |
Φ760 |
Φ930 |
Φ1130 |
Φ1430 |
Φ1760 |
Φ1960 |
層數 |
1-5 |
||||||
功率Kw |
0.25 |
0.55 |
0.75 |
1.1 |
1.5 |
2.2 |
3 |
?。ㄒ唬┰O備應有穩定的基礎。當設備安裝于一般地面或水泥基礎上時,可以不設置地腳螺栓。當設備安裝于鋼結構架臺之上時,應用螺栓緊固于結構體上,而且鋼結構架臺應有一定的鋼度。
本機只需三相開關一只(備注:好使用電氣控制盤),用蛇皮管穿線,將電機接至電源即可,注意電氣控制盤應懸掛安裝于墻上。
(二)設備出廠前已將篩網裝妥,使用過程中的篩網更換可自己更換。
(三)開機前,應先檢查各壓緊螺栓的緊固程度,及各料口的位置是否與接料器對正,并觀察振動電機是否能正常轉動及彈簧受力有無阻礙,檢查各層篩網是否壓緊。
(四)當旋振篩接入電氣控制盤之前,應首先對電氣控制盤進行檢查。線路接通后觀察振動電機旋轉方向是否是順時針方向, (備注:否則應改變相序)運轉是否正常,有無異噪聲。
(五)調節振動電機上下偏心塊的相位角,以適應各種物料篩分情況。
了解更多產品:
DH-1200型振動篩分機
DH-1000型振動篩分機
DH-800型振動篩分機
Copyright ©right 2007-2020 新鄉市大漢振動機械有限公司 All Rights Reserved 版權所有
備案號:豫ICP備09002479號-7